Artikelnr
38261
Verpakkingseenheid
1
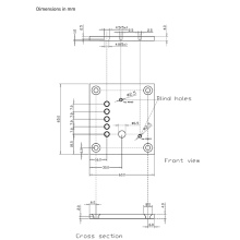
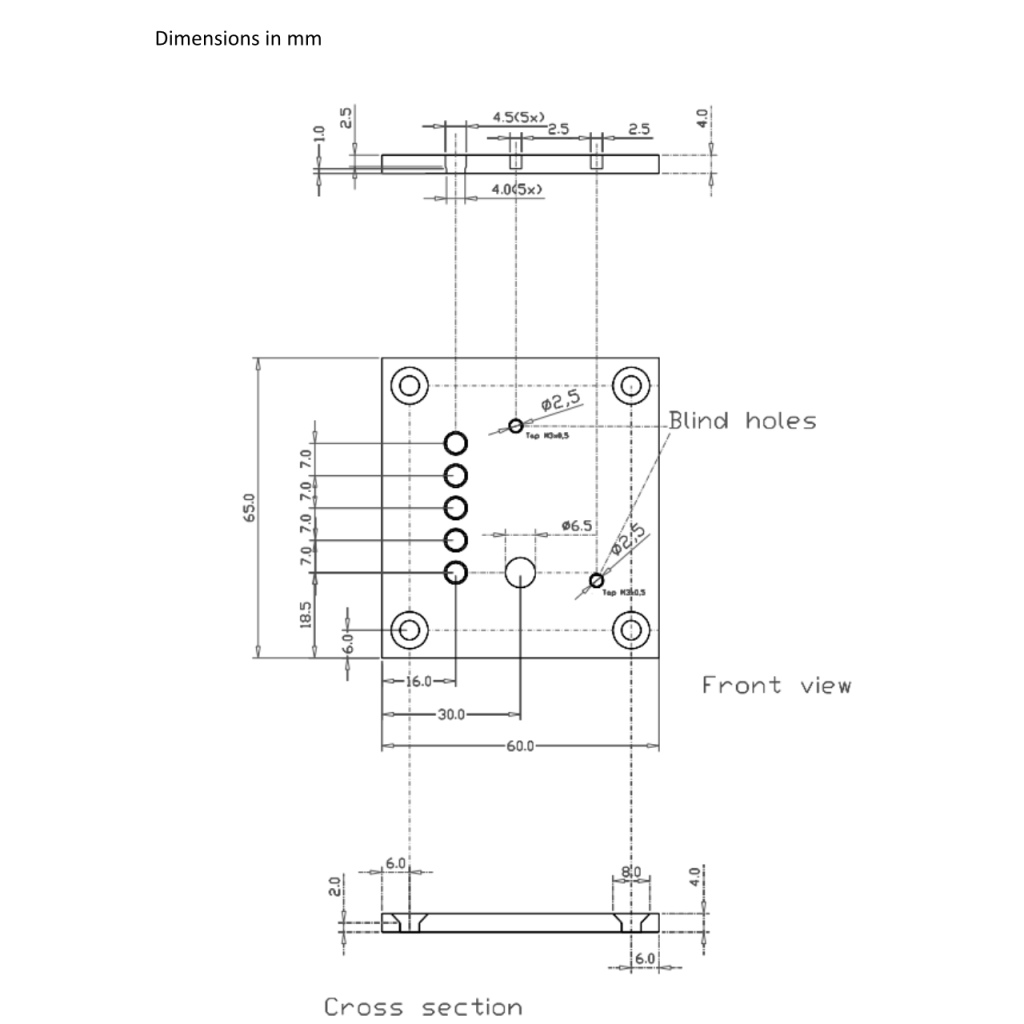
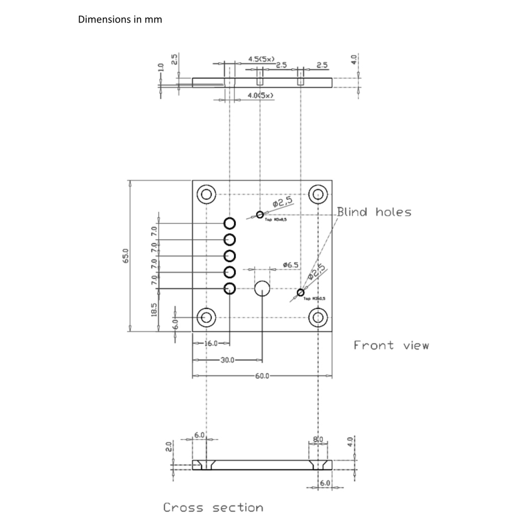
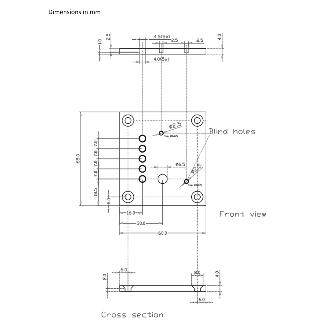
Afmetingen
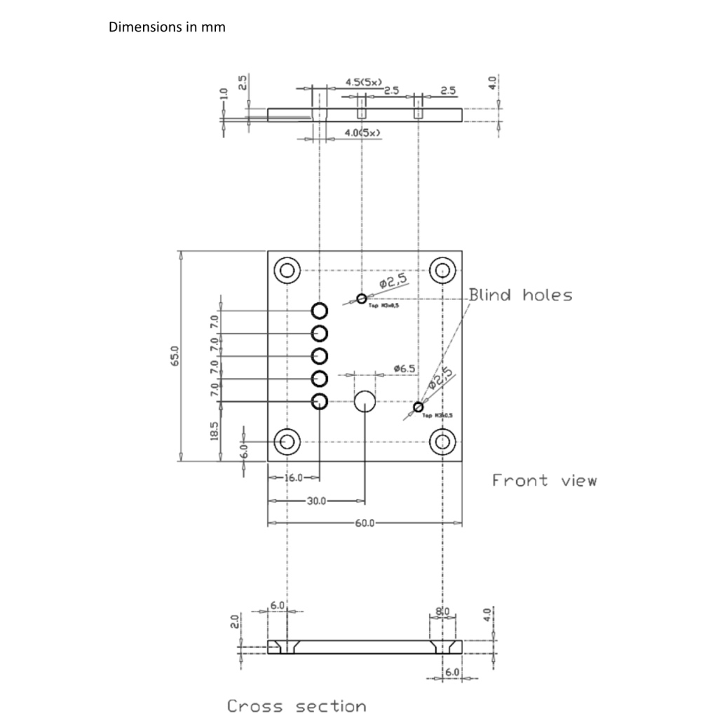
Lengte
65,00 cm
Breedte
6,00 cm
Hoogte
4,00 cm
Gewicht
0,06 kg
Kleur
Zwart
Land van herkomst
India
Bestel meteen mee:
Voor documentatie die je kunt downloaden en accessoires scroll helemaal naar beneden
Dit paneel dient voor Phoenix omvormers die zijn uitgerust met een UTP-contact voor bewaking en bediening op afstand.
Het kan ook worden gebruikt voor een MultiPlus omvormer/lader wanneer een automatische wisselschakelaar maar geen laadfunctie nodig is.
De lichtintensiteit van de LEDs wordt 's nachts automatisch verminderd.
Alleen geschikt voor de volgende modellen: 12/1200, 12/1600, 12/2000, 12/3000, 12/5000, 24/1200, 24/1600, 24/2000, 24/3000, 24/5000, 48/3000 en 48/5000.







