CBE Systeem set PC110 (1x)

BBAtechniek - CBE Systeem set PC110 (1x)
BBAtechniek - CBE Systeem set PC110 (1x)
BBAtechniek - CBE Systeem set PC110 (1x)
BBAtechniek - CBE Systeem set PC110 (1x)
BBAtechniek - CBE Systeem set PC110 (1x)
BBAtechniek - CBE Systeem set PC110 (1x)
BBAtechniek - CBE Systeem set PC110 (1x)
BBAtechniek - CBE Systeem set PC110 (1x)
BBAtechniek - CBE Systeem set PC110 (1x)
BBAtechniek - CBE Systeem set PC110 (1x)
Artikelnr
8124
Verpakkingseenheid
1
ECE R10 Complete set met paneel, bekabeling, lader, zekeringkast en tank sondes schoon- en vuilwater

Afmetingen

Gewicht
3,50 kg

Land van herkomst
Italië
Ece R10 keurmerk
Ja

ECE R10 keurmerk, TüV gekeurd

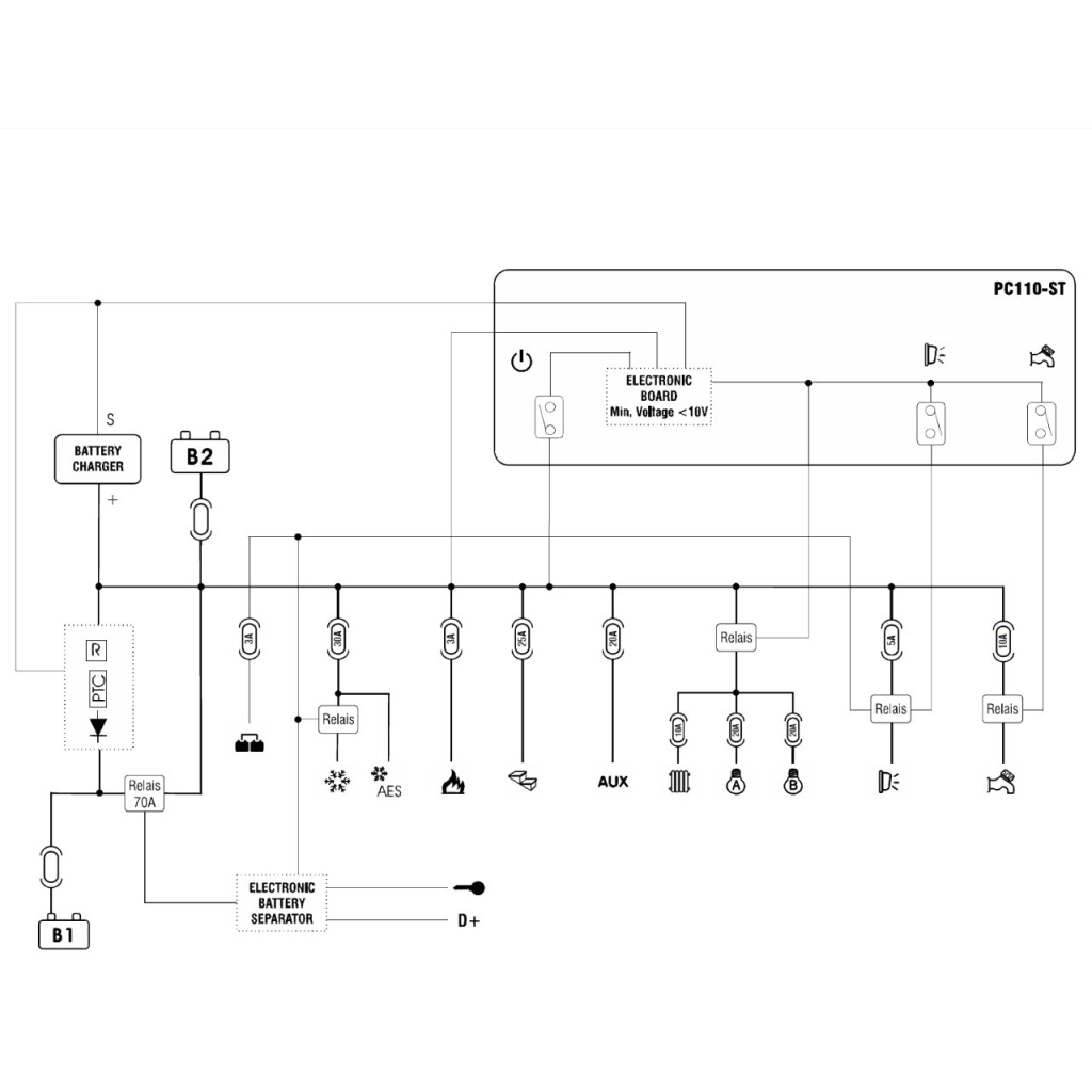
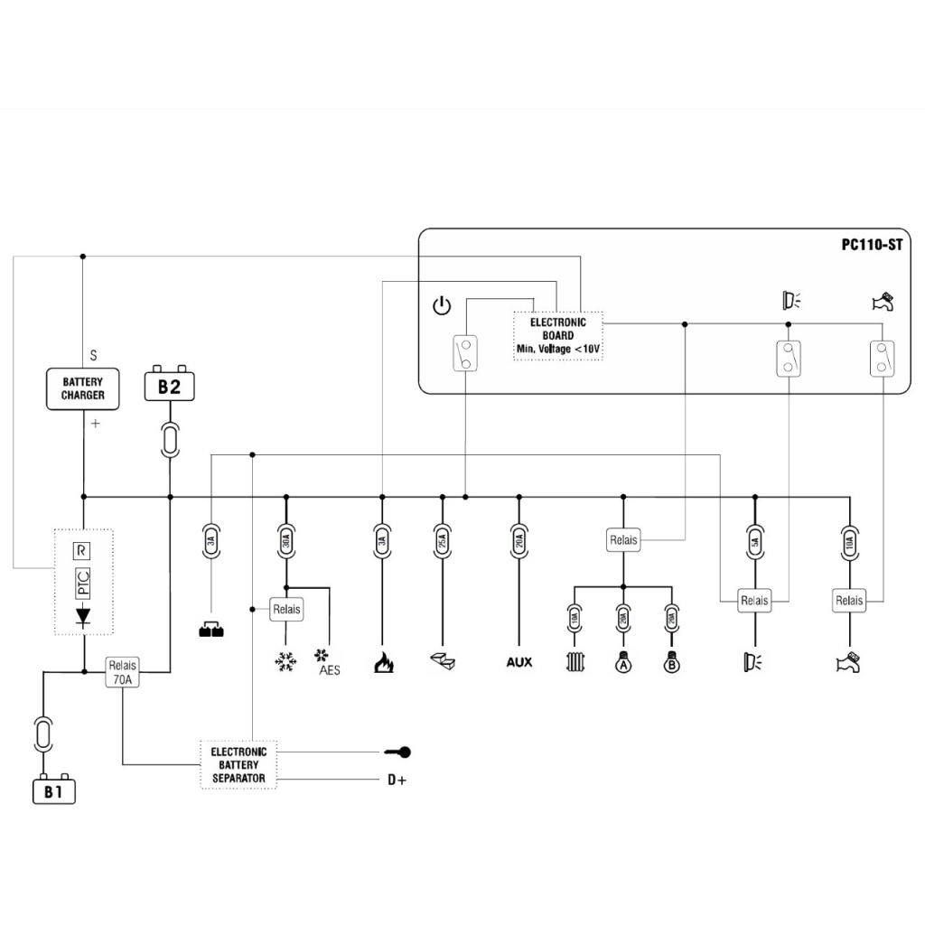
Microprocessorgestuurd digitaal systeem met LED-bedieningspaneel met de volgende functies:
test van de staat van de auto- en serviceaccu B1 en B2,
test van het niveau van de drinkwatertank,
alarm voor de afvalwatertank,
elektronische batterijscheider,
regeling van de 3-wegkoelkast,
zekeringen,
regeling van het opladen van de autoaccu,
functie voor het opslaan van de serviceaccu.

Afmetingen bedieningspaneel: 170 x 80 mm

Het systeem omvat modelcode
LCD-bedieningspaneel PC110 111100
12V-verdeelkast - zekeringen DS300 209000
12V 22A schakelende acculader BC122 B1.0543.002
drinkwatertanksonde SP5/40 505140
schroefsondes voor afvalwatertank SS/P 505000
kabelset voor sondes L=6 m CCS910 709160
kabels voor bedieningspaneel L=6 m CP973-6 709623
50 zekering + zekeringhouder voor accu's (auto en service) R450 222551