Afmetingen
Vermogen en energie
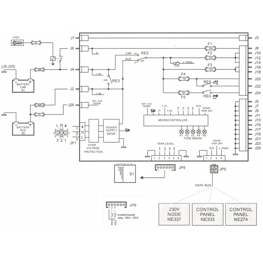
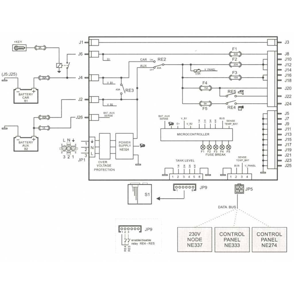
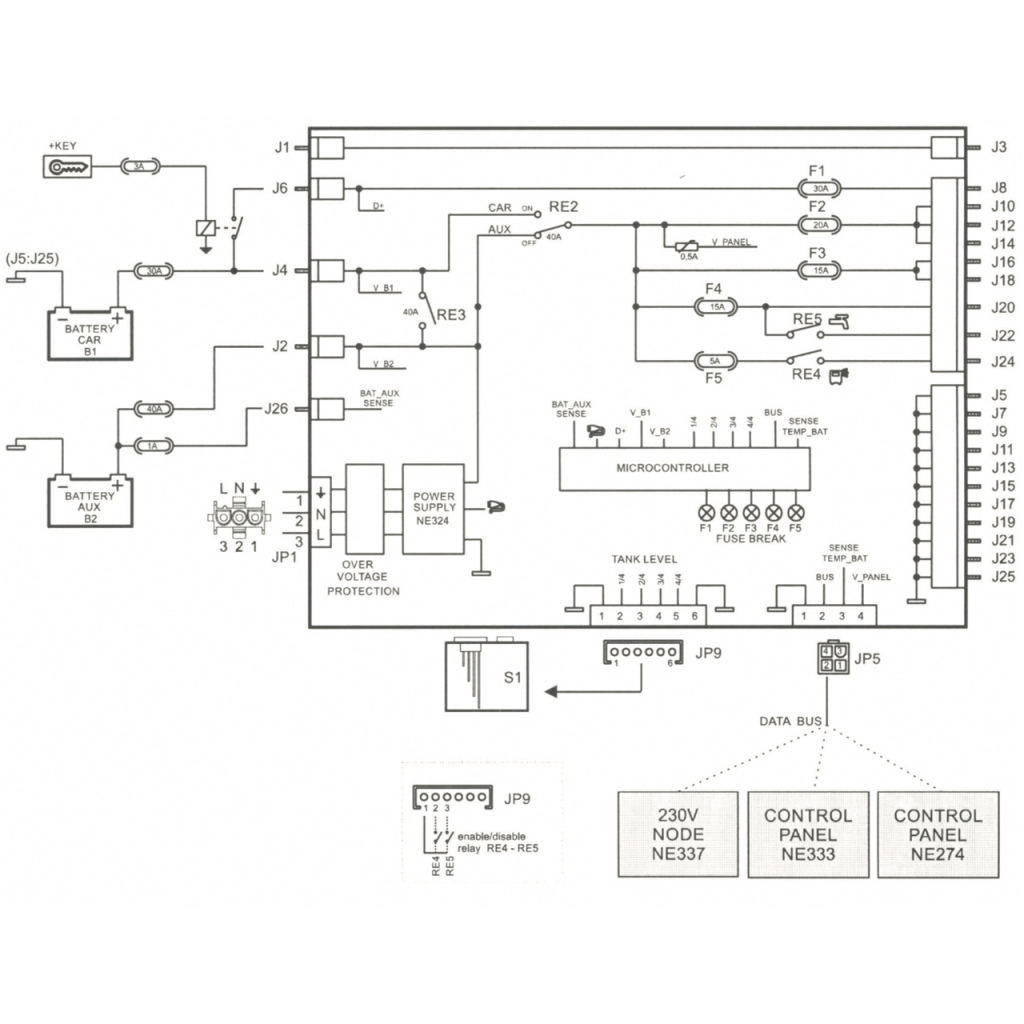
lader voor lood, gel en AGM accu’s met een accucapaciteit van 95-190Ah.
De NE234 werkt als voeding als de caravan/camper aan de 230V staat maar geen huishoudaccu heeft.
Als er een huishoudaccu is aangesloten op J2 en J26 werkt de NE234 als lader.
De NE234 is beschermd tegen 230V overvoltage en ondervoltage
Databus connetion JP5:
De NE234 module is voorzien van een Data bus communicatie interfact die het mogelijk maakt te verbinden met externe apparaten. Je kunt hier een controlepaneel of 230V relais module op aansluiten.
JP9 tankniveau sensor aansluiting
de NE324 module is uitgerust met een input JP9 voor een 4/4 tank niveau sensor. Het niveau wordt getoond op het controle paneel dat is aangesloten.