Circuit Breaker 16A-T T11-611 (1x)

BBAtechniek - Circuit Breaker 16A-T T11-611 (1x)
BBAtechniek - Circuit Breaker 16A-T T11-611 (1x)
BBAtechniek - Circuit Breaker 16A-T T11-611 (1x)
BBAtechniek - Circuit Breaker 16A-T T11-611 (1x)
BBAtechniek - Circuit Breaker 16A-T T11-611 (1x)
BBAtechniek - Circuit Breaker 16A-T T11-611 (1x)
BBAtechniek - Circuit Breaker 16A-T T11-611 (1x)
BBAtechniek - Circuit Breaker 16A-T T11-611 (1x)
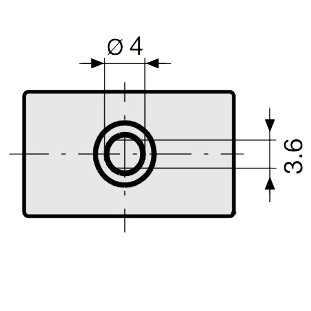
Artikelnr
60329
Verpakkingseenheid
1

Vermogen en energie

Aansluitspanning Min.
240,00 V
Stroomverbruik
16,00 A

Kleur
zwart

Land van herkomst
Tsjechië
Ece R10 keurmerk
Nee

Thermal Circuit Breaker, T11, 16A, 1Pole, 48V, 240V, Snap In

Documenten