Artikelnr
              11805
          Verpakkingseenheid
              1
          Kleur
              lichtblauw
          Disclaimer:
Wij hebben ons best gedaan om de juiste Direct mee te bestellen artikelen te adviseren. Aan deze aanbeveling kunnen echter geen rechten worden ontleend.
Bekijk voor meer mogelijkheden:
https://www.bbatechniek.nl/categorie/kabels-12v
https://bbatechniek.nl/categorie/gereedschap-en-kabelmontage 
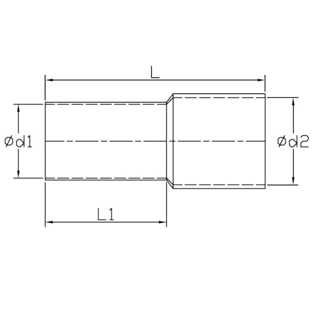
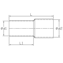
Draad dikte AWG		24
d1				0.8
d2				1.9
L				10.0
L1				6.0
Draad dikte MM		0,34
Isolatie materiaal		Nylon
Soort Kabelschoen		Cord.end sleeve
Kleur				Licht Blauw
Materiaal			Copper
				        				    		
				    						
				        				    		
				    						
				        				    		
				    						

