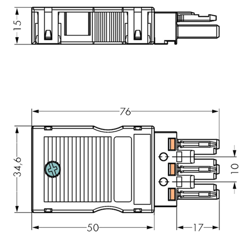
Artikelnr
66011
Verpakkingseenheid
1
Kleur
zwart
Land van herkomst
Polen
Ece R10 keurmerk
Nee
Bestel meteen mee:
met trekontlasting

